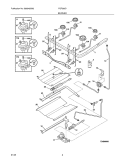
FGF366DQB Frigidaire Range - Overview
Sections of the FGF366DQB
[Viewing 8 of 8]Keep searches simple, eg. "belt" or "pump".
Flat Style Oven Igniter
PartSelect #: PS470129
Manufacturer #: 5303935066
This is a flat style oven igniter used to light the oven burner in a gas range. When the element in this igniter glows white hot, the gas is released from the safety valves, which lights the oven burn...
$45.29
In Stock
Light Bulb
PartSelect #: PS12751166
Manufacturer #: 316538904
This OEM 40 watt appliance light bulb is used for some ranges, refrigerators, freezers, and microwaves. Simply locate the existing bulb, unscrew it from its socket, and replace with new light bulb. If...
$26.82
In Stock
Handle Mounting Screw
PartSelect #: PS978302
Manufacturer #: 316433300
This handle mounting screw works with your oven or range, and bolts the door handle to the door. It is approximately 2 inches in length and is an OEM part sourced directly from the manufacturer. If yo...
$24.67
In Stock
LP Conversion Kit
PartSelect #: PS2351422
Manufacturer #: GRLP3
This kit is used to convert your appliance to liquid propane. This liquid petroleum gas conversion kit contains seven orifices, each under an inch long.
$56.33
In Stock
Oven Temperature Sensor
PartSelect #: PS1528543
Manufacturer #: 316490001
The temperature sensor detects the temperature within the oven cavity. If there is a limited amount of heat, it is not heating evenly, or the oven will not start, this might indicate that your tempera...
$59.47
In Stock
LENS
PartSelect #: PS16218465
Manufacturer #: 5304524341
The Frigidaire light bulb lens covers the interior light bulb in an oven. No tools are necessary to replace this item. After unplugging the appliance, slide off the wire bracket to remove the existing...
$24.67
In Stock
GLASS
PartSelect #: PS11728351
Manufacturer #: 5304503232
This tempered glass is supplied by the original manufacturer and measures 20 inches by 13 inches. It is an inner door glass, designed for use in ranges/ovens and has several purposes which include pro...
$83.43
In Stock
IGNITOR,BAKE
PartSelect #: PS17219382
Manufacturer #: 5304534663
This gas oven bake igniter is designed to initiate the heating process by activating the burner during baking cycles. It functions by heating up until it reaches the ignition point, allowing gas to ig...
$78.77
In Stock
DRAWER GLIDE
PartSelect #: PS12584887
Manufacturer #: 316407402
This rear drawer glide, also known as a storage drawer glide, is used in ranges. This helps hold the front side of the storage drawer and allows the drawer to easily slide in and out of the range. If ...
$17.15
In Stock
GLIDE
PartSelect #: PS11770783
Manufacturer #: 807047102
Introducing the Frigidaire Range Front Drawer Glide, an authentic OEM part that enhances the function of your stove, oven, or range! Compatible with certain models of Frigidaire, Electrolux, White Wes...
$21.45
In Stock
Anti-Tip Kit
PartSelect #: PS3655242
Manufacturer #: 316112005
The anti-tip bracket kit comes with one metal bracket and two installation screws, and is sourced directly from the genuine manufacturer. It prevents the freestanding oven, range, or stove from tippin...
$24.67
In Stock
Leveling Leg Assembly
PartSelect #: PS12364627
Manufacturer #: 5304509869
Sold Individually. These legs should be adjusted to make your appliance level on uneven flooring.
$13.92
In Stock
Manuals & Care Guides for FGF366DQB
Click to downloadInstall
Installation Instructions
(1.15MB)
Install
Installation Instructions
(0.62MB)
Install
Installation Instructions
(2.05MB)
Manual
Owner's Manuals
(1.38MB)
Manual
Owner's Manuals
(3.54MB)
Wiring
Wiring Diagram
(0.78MB)
Questions And Answers for FGF366DQB
Be the first to ask our experts a question about this model!
✖
Ask a Question
Ask our experts a question on this model and we'll respond as soon as we can.
Sorry, we couldn't find a match for "".
Here's a guide for finding your model number.
Something went wrong. Please try again later.
Your Question Has Been Submitted!
Our experts will send you an email as soon as your question has been answered.
Common Symptoms of the FGF366DQB
[Viewing 11 of 11]Gas igniter glows, but will not light
Fixed by
these parts
these parts
Show All
Little to no heat when baking
Fixed by
these parts
these parts
Show All
Will Not Start
Fixed by
these parts
these parts
Show All
Element will not heat
Fixed by
these parts
these parts
Show All
Door won’t close
Fixed by
these parts
these parts
Show All
Oven is too hot
Fixed by
these parts
these parts
Show All
Gas smell
Fixed by
these parts
these parts
Show All
Oven not heating evenly
Fixed by
these parts
these parts
Show All
Touchpad does not respond
Fixed by
these parts
these parts
Show All
Door won’t open after self cleaning cycle
Fixed by
these parts
these parts
Show All
Little to no heat when broiling
Fixed by
these parts
these parts
Show All
Keep searches simple. Use keywords, e.g. "leaking", "pump", "broken" or "fit".
Oven quit heating.
After reading up on the problem of the gas oven not lighting I decided I needed to install a new igniter. I had read where some people just pulled a panel off the back and installed a new one.. yeah, no such luck with this model so I had to crawl into the broiler drawer space [which I had to clean out first]. Note, if you wear trifocal g
... Read more
lasses you might as well close your eyes and replace it by feel because there is no way to tilt your head back enough to see what you are doing and still get both arms and your chest in a broiler. Also be sure to remove all cats and dogs from the area before starting. They seem to think they can help or it's a game of hide and seek and they want to hide with you.. they were no help at all.
Other than that, it was quite easy.
Other than that, it was quite easy.
Read less
Parts Used:
-
John from Darlington, SC
-
Difficulty Level:Easy
-
Total Repair Time:15 - 30 mins
-
Tools:Nutdriver
571 of 627 people
found this instruction helpful.
Was this instruction helpful to you?
Thank you for voting!
Oven was difficult to light, then stopped lighting altogether
1. Turned off circuit breaker to stove
2. Removed the two screws holding down the floor of the oven (screws are at back.), and then lifted it out.
3. Removed the nut holding down the flame guard, and lifted it off.
4. Opened the bottom drawer.
5. Removed the protective cover in the back left of the oven at the bottom, ... Read more first removing the one screw at the bottom that holds it. This reveals a white plug, presumably going to a fuse.
6. Disconnected the white plastic connector, lifting its front tab to release it.
7. The igniter wires go to two lugs that attach at the floor of the oven at the back (one goes via the now free white connector). Slide back the plastic lug covers and use pliers to pull off the lugs. Note that the wider one (on the right) goes to the top of the igniter, while the narrower one (on the left) goes to the bottom of the igniter via the white plastic connector.
8. Removed the two bolts holding the igniter.
9. At this point, the igniter comes out. Nice, since it means you can work on the wires in comfort.
10. Slide the flame retardant sleeves away from the igniter. I found in-line connections about 1.5 inches from the igniter, and cut the wires next to these (on the side away from the igniter, of course.), and stripped the final 3/8 inch. Shorten the wires on the replacement igniter so that they are 3 or 4 inches long, slide on the flame retardant sleeves, then strip the final 3/8ths inch. Use the provided caps to connect the wires. Bottom wire goes to the plastic connector, top wire goes to the wide lug.
11. Install the new igniter by connecting the lugs, sliding on their protective plastic sleeves, reconnecting the white plastic connector, screwing in the two igniter mounting screws, and reinstalling the corner cover. Put back the flame shield and floor of the oven. Turn on the circuit breaker, and it works!
2. Removed the two screws holding down the floor of the oven (screws are at back.), and then lifted it out.
3. Removed the nut holding down the flame guard, and lifted it off.
4. Opened the bottom drawer.
5. Removed the protective cover in the back left of the oven at the bottom, ... Read more first removing the one screw at the bottom that holds it. This reveals a white plug, presumably going to a fuse.
6. Disconnected the white plastic connector, lifting its front tab to release it.
7. The igniter wires go to two lugs that attach at the floor of the oven at the back (one goes via the now free white connector). Slide back the plastic lug covers and use pliers to pull off the lugs. Note that the wider one (on the right) goes to the top of the igniter, while the narrower one (on the left) goes to the bottom of the igniter via the white plastic connector.
8. Removed the two bolts holding the igniter.
9. At this point, the igniter comes out. Nice, since it means you can work on the wires in comfort.
10. Slide the flame retardant sleeves away from the igniter. I found in-line connections about 1.5 inches from the igniter, and cut the wires next to these (on the side away from the igniter, of course.), and stripped the final 3/8 inch. Shorten the wires on the replacement igniter so that they are 3 or 4 inches long, slide on the flame retardant sleeves, then strip the final 3/8ths inch. Use the provided caps to connect the wires. Bottom wire goes to the plastic connector, top wire goes to the wide lug.
11. Install the new igniter by connecting the lugs, sliding on their protective plastic sleeves, reconnecting the white plastic connector, screwing in the two igniter mounting screws, and reinstalling the corner cover. Put back the flame shield and floor of the oven. Turn on the circuit breaker, and it works!
Read less
Parts Used:
-
Ritchie from Ithaca, NY
-
Difficulty Level:A Bit Difficult
-
Total Repair Time:15 - 30 mins
-
Tools:Nutdriver, Pliers, Screw drivers
282 of 368 people
found this instruction helpful.
Was this instruction helpful to you?
Thank you for voting!
Oven wouldn't heat - broiler and burners worked fine-Bake Burner Igniter didn't work
It was the week before Thanksgiving and we didn't know what to do without an oven. I did some research on Google and of all the websites out there, I found a decent price here at Parts Select and ordered it on Friday. I was shocked when FEDEX pulled up to the door on Saturday afternoon. I went online to youtube and found a step by step
... Read more
video specifically for this part. It's posted by the Repair Clinic. http://www.youtube.com/watch?v=cLxKoF16gac. I was able to fix the part and probably saved at least $150.00 for a service call and repair time. The part cost about $90 and I was done in less than 15 minutes. We just got this stove about 2 years ago and I'm thinking maybe we could have saved my old stove since it had the same problem. Great job Parts Select - I got just what I needed and saved a ton of money in the process. Thanks also for their great informative video online. We had a great Thanksgiving and were very thankful for all our hot food fresh from the oven.
Read less
Parts Used:
-
Debbie from Rockford, MI
-
Difficulty Level:Easy
-
Total Repair Time:15 - 30 mins
-
Tools:Nutdriver, Screw drivers
190 of 229 people
found this instruction helpful.
Was this instruction helpful to you?
Thank you for voting!